×
搜索
搜索
网站导航
首 页
关于东精
产品中心
应用案例
新闻动态
联系东精
您的位置:
首页
→
产品中心
→
卫生级管件
→
四通
焊接四通
上一个:卡箍三通
下一个:快装四通
详情介绍
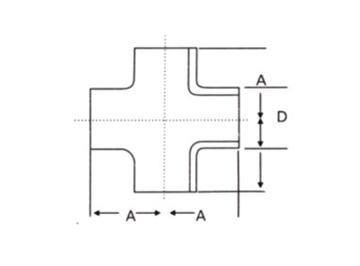
产品参数
工业标准有:ISO、DIN、IDF、3A、SMS等
规格
D
A
1"
25.4
33.5
1¼"
31.8
38
1½"
38.1
48.5
2"
50.8
60.5
2½"
63.5
83.5
3"
76.2
88.5
3½"
88.9
103.5
4"
101.6
127
广东东精钢业有限公司 版权所有
技术支持:
东莞网站建设