×
搜索
搜索
网站导航
首 页
关于东精
产品中心
应用案例
新闻动态
联系东精
您的位置:
首页
→
产品中心
→
管支架
管支架
上一个:Z41法兰闸阀
下一个:管支架
详情介绍
产品参数
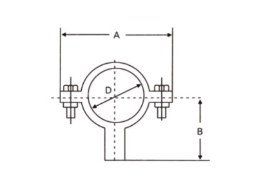
工业标准有:ISO、DIN、IDF、3A、SMS等
SIZE
D
A
B
1"
25.4
70
62
1½"
31.8
82
69
2"
50.8
100
75
2½"
63.5
112
82
3"
76.3
128
88
3½"
89
140
95
4"
101.6
154
100
广东东精钢业有限公司 版权所有
技术支持:
东莞网站建设