
工业标准有:ISO、DIN、IDF、3A、SMS等
![]() |
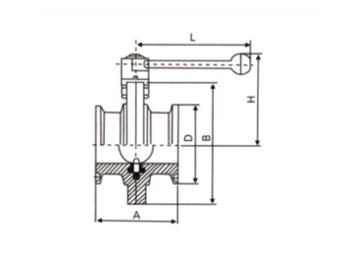
规格(ISO) | A | B | D | L | H |
| 20 | 66 | 78 | 50.5 | 130 | 82 | |
| 25 | 66 | 78 | 50.5 | 130 | 82 | |
| 32 | 66 | 78 | 50.5 | 130 | 82 | |
| 38 | 70 | 86 | 50.5 | 130 | 86 | |
| 51 | 76 | 102 | 64 | 140 | 96 | |
| 63 | 98 | 115 | 77.5 | 150 | 103 | |
| 76 | 98 | 128 | 91 | 150 | 110 | |
| 89 | 102 | 139 | 106 | 170 | 116 | |
| 102 | 106 | 154 | 119 | 170 | 122 | |
| 108 | 106 | 159 | 119 | 170 | 126 | |
| 133 | 140 | 185 | 145 | 190 | 138 | |
| 159 | 260 | 215 | 172 | 190 | 153 |