×
搜索
搜索
网站导航
首 页
关于东精
产品中心
应用案例
新闻动态
联系东精
您的位置:
首页
→
产品中心
→
卫生级罐体附件
→
卫生级地漏
卫生级地漏
上一个:圆型人孔盖
下一个:卡箍式直通视镜
详情介绍
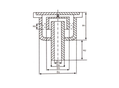
产品参数
工业标准有:ISO、DIN、IDF、3A、SMS等
SIZE
D0
D1
D2
D3
H1
H2
H3
Dn100
102
98
210
133
100
180
15
50
51
48
170
76
100
160
15
广东东精钢业有限公司 版权所有
技术支持:
东莞网站建设